AN49836xxx 20-200A
- 2025-04-19 16:43:22
- 0
- 螺栓保险丝|Bolt FUSE
- 型号|model: ANMG
- 慢熔|Slow melting
- 安规认证|Safety certificatio
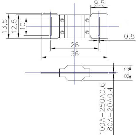
1.The AN478-36 fuse provides a space-free fuse for high-current connection protection and provides a time-delay feature through "high-break technology"
1.AN478-36保险丝为大电流接线保护提供了一种不占用空间的保险丝,并通过“高分断技术”提供了延时特性


Ps:According to usage conditions, the characteristics of the fuse may change|根据使用狀況,保险丝特性可能改变!
- 2.Note
- Rated voltage: less than 70VDC
- Breaking capacity: 2500 amperes at 70 Vdc
- Operating temperature: -40 ℃~+125 ℃
- Execution standard: ISO8820-5/UL248
- Material: copper alloy
- 2.说明
- 额定电压:小于直流80VDC
- 致断容量:80vdc时5000安培/ 120vdc时2500安培
- 使用温度:-40℃~+125℃
- 执行标准:GB/T31465.5
- 材质:铜合金
3.The specifications and models of fuses are as follows|保险丝规格型号
| Material number |
Ampere rating |
Color |
Volt |
I2t (A2s) |
Safety regulations |
| AN478-36020 |
20 | Black | 70VDC 120VAC |
1760 | E510934 |
| AN478-36025 |
25 | 1930 |
E510934 | ||
| AN478-36030 |
30 | 4200 |
E510934 | ||
| AN478-36040 |
40 | 10000 |
E510934 | ||
| AN478-36050 |
50 | 13000 |
E510934 | ||
| AN478-36060 |
60 | 21700 |
E510934 | ||
| AN478-36070 |
70 | 24000 |
E510934 | ||
| AN478-36080 |
80 | 24600 |
E510934 | ||
| AN478-36100 |
100 | 51300 |
E510934 | ||
| AN478-36125 |
125 | 73200 |
E510934 | ||
| AN478-36150 |
150 | 81900 |
E510934 | ||
| AN478-36175 |
175 | 100000 |
E510934 | ||
| AN478-36200 |
200 | 125000 |
E510934 |
4.Fusing characteristics|熔断特性
| % of Ampere Rating |
Ampere Rating |
Opening Time |
| 75% | 150A-200A | 100 Hours, Minimum |
| 100% | 20A-125A | 100 Hours, Minimum |
| 135% | 20A-125A |
300sec.,Min;3600 sec.,Max; |
| 150% | 20A-125A |
90 sec.,Min;500 sec.,Max; |
| 200% | 20A-125A | 1sec.,Min;100 sec.,Max; |
| 150A-200A |
1 sec.,Min;50 sec.,Max;
| |
| 300% | 20A-125A | 0.3 sec.,Min;4 sec.,Max; |
| 350% | 150A-200A | 0.3 sec.,Min;4 sec.,Max; |
| 500% | 150A-200A |
0.1 sec.,Min;1 sec.,Max; |
| 600% | 20A-125A |
0.07sec.,Min;0.7sec.,Max; |
注notes:
@环保文件以附件发送,每年更新一次;
@Environmental protection documents shall be sent as attachments and updated once a yea
@安规证书附件发送
@Attachment of safety regulation certificate
